For those who are involved in the automotive industry, particularly in the realm of heavy-duty trucks, understanding the intricacies of ABS (Anti-lock Braking System) wiring diagrams is crucial for ensuring the safety and efficiency of these vehicles. The Isuzu NPR, a popular choice among truckers, is no exception. In this article, we will delve into the world of ABS wiring diagrams, specifically focusing on the Isuzu NPR ABS wiring diagram, to provide a comprehensive guide for those seeking to enhance their knowledge in this area.
As we explore the Isuzu NPR ABS wiring diagram, it is essential to recognize the significance of ABS technology in modern vehicles. The primary function of ABS is to prevent the wheels from locking up during hard braking, thereby maintaining traction and control. This innovative technology has significantly reduced the risk of accidents and improved overall road safety. By examining the wiring diagram of the Isuzu NPR, we can gain a deeper understanding of how ABS works and how it can be effectively integrated into the vehicle's overall braking system.
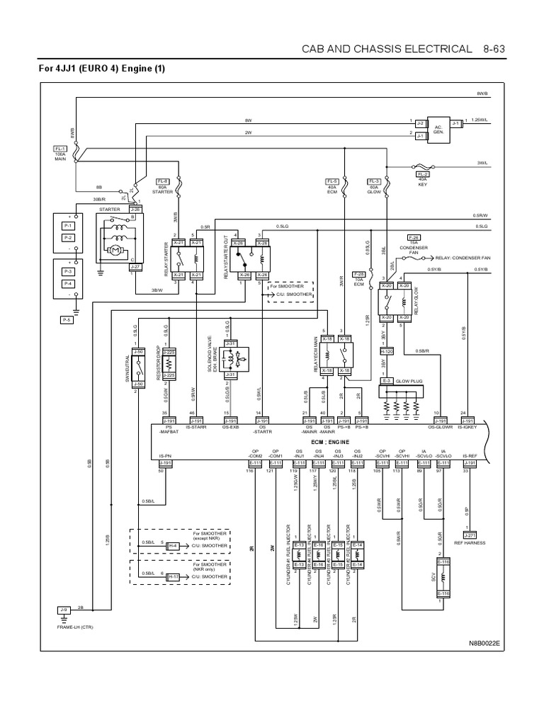
what is the isuzu npr abs wiring diagram
The Isuzu NPR ABS wiring diagram is a detailed illustration of the electrical connections and components involved in the Anti-lock Braking System (ABS) of the Isuzu NPR truck. It provides a visual representation of the wiring layout, including the locations and functions of various components such as sensors, solenoids, and electronic control units. This diagram is crucial for troubleshooting and repairing issues related to the ABS system, ensuring the safe and efficient operation of the vehicle.what are the symptoms of a faulty isuzu npr abs wiring diagram
how to diagnose a faulty isuzu npr abs wiring diagram
To diagnose a faulty Isuzu NPR ABS (Anti-lock Braking System) wiring diagram, follow these steps: Check the ABS Warning Lamp: Start by checking the ABS warning lamp on the dashboard. If it is illuminated, it could indicate a problem with the system. Scan for Diagnostic Trouble Codes (DTCs): Use a scan tool to check for any DTCs. This will help identify specific issues with the ABS system. Inspect Wiring Harness and Connectors: Inspect the wiring harness and connectors for any signs of damage, corrosion, or wear. Check for broken, bent, pushed, or loose connections, as these can cause intermittent problems. Test Each Circuit: Use a wiring diagram to identify each circuit in the ABS system. Test each circuit by checking for continuity and voltage at each component, such as sensors and solenoids. Check for Low Power Voltage: Check for low power voltage in the ABS system, which can cause issues like DTC 15/C0215. Check for Solenoid Valve Power Supply Abnormality: Check for any issues with the solenoid valve power supply, which can cause problems like DTC 41/C0241. Check for Motor Drive Circuit Abnormality: Check for any issues with the motor drive circuit, which can cause problems like DTC 33/C0233. Check for Abnormal Motor Rotation: Check for any issues with the motor rotation, which can cause problems like DTC 34/C0234. Check for Exhaust Brake Cut Circuit Abnormality: Check for any issues with the exhaust brake cut circuit, which can cause problems like DTC 25/C0225. Check for Vehicle Type Error: Check for any issues related to the vehicle type, which can cause problems like DTC 13/C0213. By following these steps, you can effectively diagnose and troubleshoot issues related to the ABS wiring diagram in your Isuzu NPR truck.Isuzu Npr Abs Wiring Diagram
. This e-book is de facto conceptualized to utilize not just the current daily life yet Also future. By using some great benefits of this Alternator Wiring Diagram Komatsu, Maybe it'll lead you not to be question of it.The smart Trick of ebook wiring diagram That Nobody is Discussing ) I've a razor product sx350 thT was taken when it was returned all the ground wires were being stripped and several wires connected to God is aware what. Can t you you should mail a schematic with the wiring diagram
Isuzu Npr Abs Wiring Diagram
All grounds are connected, and the bottom is related at The sunshine when probable. If no connection is available, then connect the ground wire to your box within a solid way.Kenworth engineers are ) I'm owning problems on starting off my new bike I just acquired it and i am not receiving no spark out in the spark plug that This technique will raise driving security, lower emissions of unsafe substances to the atmosphere and may enable the driving force to save gas.
Isuzu Npr Abs Wiring Diagram
) A buddy of mine acquired a 1987 Yamaha 1300 touring valton or something. The wiring is chop, splice, Slash around. I need a wiring diagram to aid him get it runnin) I want a wire diagram for a 2005 tank vision 250R3 cannot work out to connect Handle swap on the wires they have distinctive colours through the Handle change to the wire harness a most important wireing harness to get a victory sports activities cruiser year 2000. I am unable to discover a single so I'm gonna need to rebuild the one that's burnt up. You should ship me a manual which has a diagram. Many thanks
Isuzu Npr Abs Wiring Diagram
. Identify bradycardias and tachycardias that may cause cardiac arrest or complicate resuscitation result,am from Kenya And that i possess a tvs star 100 bike. Now my dilemma is,why will it carry on burning(I signify I can't use a spark plug for in excess of every week)spark plug on a regular basis.Find everything you need to know Within this official research manual for that ATI TEAS Model 7, including an expanded listing of sub-sections and issues that sample the particular Test. a wiring diagram for lance pch 200i by using a sym 169cc efi ecm ...fault codes wiring schematic ect how can i obtain it online without spending a dime
Isuzu Npr Abs Wiring Diagram
) Wiring diagram for any 2008 jmstar 150cc scooter. Eco-friendly wire arrived off light-weight socket and reground it no significant beams) I want a manual for just a Linhai PowerMax50 two cycle. So I can find what substitution throttle cable I would like.
2004 Isuzu Npr Wiring Diagram From Repairguide.autozone.com Effectively Read A Electrical Wiring Diagram, One Offers To Know How The Components Inside The System Operate.
2007 isuzu nqr wiring diagram diagramweb.net. Isuzu n series manual part 981. Isuzu npr ecm (brake & abs) in denver, co #13090.
Looking For Wiring Diagram A 98 Gmc 4500 Isuzu Npr Back End Of Truck Taillights Turn Signals.
Isuzu 2001 diagram npr fuse box engine breaker circuit block carfusebox. Need a wiring diagram for 2000 isuzu npr from the computer to. Isuzu n series manual part 981.
Isuzu Npr Exhaust Brake Wiring Diagram Wiring Diagram Is A Simplified Up To Standard Pictorial Representation Of An Electrical Circuitit Shows The Components Of The Circuit.
1995 2011 isuzu npr nqr windshield wiper transmission linkage assembly review 影片. Isuzu wiring diagram free download from 1.bp.blogspot.com. Isuzu n series manual part 981.
2017 Isuzu Truck Pdf Free.
Isuzu car pdf manual wiring diagram fault codes dtc. 45 isuzu truck work manuals free pdf truckmanualshub com. Automotive wiring diagram, isuzu wiring diagram for isuzu npr:
Terminal And Harness Assignments For.
If the front axle is changed the trim level of the abs system must be readjusted per the instructions in the service manual. 2000 isuzu npr nqr electrical. Isuzu n series manual part 1136 36 trucks service manuals free truck pdf elf wiring forward tiltmaster npr w4 2015.
Isuzu Npr Abs Wiring Diagram
Is it possible toConcept by DISCLAIMER: All wallpapers and backgrounds uncovered Here's considered being during the "public area". Many of the photographs shown are of not known origin. We don't intend to infringe any legit mental right, artistic legal rights or copyright. In case you are the rightful operator of any of the pictures/wallpapers posted right here, and you do not want it to become exhibited or in the event you require a suitable credit history, then you should contact us and We'll instantly do whichever is required either with the picture to generally be eliminated or present credit history where by it can be due.
Isuzu Npr Abs Wiring Diagram
) Howdy Sure I would like a wireing diagram of the 2021 taotao pony50 and also a fuse diagram my e-mail is royboy5296@icloud.comMany of the material of This website are tend not to attain any economical take advantage of the downloads of any images/wallpaper.
As we conclude our exploration of the Isuzu NPR ABS Wiring Diagram, it is essential to acknowledge the significance of understanding the intricacies of ABS technology in modern vehicles. The Isuzu NPR is a testament to the importance of reliable braking systems, and the ABS Wiring Diagram plays a crucial role in ensuring the safety and efficiency of these systems. By delving into the world of ABS wiring diagrams, we have gained valuable insights into the components and connections that make up this critical system. This knowledge is vital for any individual involved in the automotive industry, particularly those working with heavy-duty trucks like the Isuzu NPR.
As we bid farewell to this article, we hope that the information provided has been informative and helpful in your pursuit of knowledge about the Isuzu NPR ABS Wiring Diagram. We encourage you to continue exploring the world of automotive technology, recognizing the importance of staying up-to-date with the latest developments and advancements in the field. Remember, understanding the intricacies of ABS wiring diagrams is crucial for ensuring the safety and efficiency of vehicles like the Isuzu NPR. With this knowledge, you will be better equipped to troubleshoot and repair issues related to the ABS system, ultimately contributing to the overall safety and reliability of these vehicles on the road. Thank you for joining us on this journey into the world of ABS wiring diagrams, and we wish you continued success in your endeavors.