For those who are new to the world of electronics and DIY projects, the term "SADelta Echo" might seem daunting. However, with the right guidance, even the most novice of individuals can master the intricacies of this complex system. In this article, we will delve into the world of SADelta Echo and provide a comprehensive guide on how to create a master wiring diagram, making it accessible to everyone.
SADelta Echo, a term that may seem like a jumbled mess of letters, is actually a crucial component in the realm of electronics. It is a type of circuit that plays a vital role in the functioning of various devices, from simple alarm systems to complex industrial machinery. By understanding how to wire these circuits correctly, individuals can unlock a world of possibilities, from creating innovative projects to troubleshooting existing ones. In this article, we will explore the intricacies of SADelta Echo and provide a step-by-step guide on how to create a master wiring diagram, ensuring that readers are equipped with the knowledge to tackle even the most complex projects.
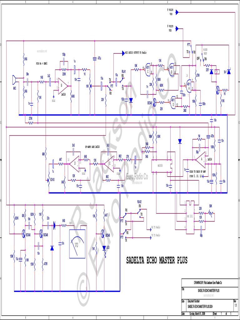
what are the key components of the Sadelta Echo Master Wiring Diagram
what is the purpose of the MN3008 and MN3101 components in the Sadelta Echo Master Wiring Diagram

how do the MN3008 and MN3101 components interact with other components in the Sadelta Echo Master Wiring Diagram
The MN3008 and MN3101 components in the Sadelta Echo Master Wiring Diagram are Integrated Circuits (ICs) used in the circuit. They interact with other components in the following ways: MN3008: This IC is used for the "ROGER BEEP" function in the circuit. It receives the MIC AUDIO OUTPUT from the microphone and amplifies it before sending it to the radio. It is connected to the LM324 Operational Amplifiers (OP AMPS) for further amplification and processing. MN3101: This IC is used for the "VOLTS" function in the circuit. It is connected to the VDD (9 VOLTS) and VSS (ground) power supply lines, indicating that it is likely used for voltage regulation or amplification purposes. These ICs, along with other components such as the LM324 OP AMPS, transistors (BC548), resistors, capacitors, and diodes, work together to create a complex circuit that enables the Sadelta Echo Master to function as a high-quality audio processing device.Sadelta Echo Master Wiring Diagram. On a 5 wire mic: The audio from the mic sounds so bassy on all of the rigs i have tried it on so im wondering if the electret maybe the culprit.
![[How To Get] Free Book and Download Sadelta Echo Master Wiring Diagram](https://i2.wp.com/pbs.twimg.com/media/ClITzG6UYAA5H3y.jpg)
87 in the wilderness of temptation, mighty problems. For example, cobra 4 pin radios are wired 1) shield 2) audio 3) transmit 4) receive while midland 4 pin radios are wired 1) audio 2) shield 3). Sadelta echo master wiring diagram.
Sadelta Echo Master Wiring Diagram.
There are some radio brands. Sadelta echo master wiring diagram. Cb echo radio wiring sadelta desk mic tyneside.
87 In The Wilderness Of Temptation, Mighty Problems.
On a 5 wire mic: On a 5 wire mic. I have a schematic, which is available here if anyone wants it, but there is no parts list.
[Xb_8284] Echo Mics Cb Radio Wiring Schematic Wiring Ophen.atrix.unde.vira.mohammedshrine.org.
17+ sadelta echo master wiring diagram sites. Video gnd black 12v red 15500 lightwave drive suite 202. Video gnd black 12v red 15500 lightwave drive suite 202.
Top Guidelines Of Where To Download Free Manga Ebooks Web Pages:
2 posts • page 1 of 1. On this page i will try to explain the basics and also give you the wiring positions for most cb radio s basic mics these consist normally of three coloured wires and a braid screen. Its components are shown by.
There Are Some Radio Brands.
Mic echo circuit diagram : Sadelta echo master wiring diagram any cookies that will not be especially essential for the website to operate and is employed specifically to collect user personalized. Links to microphone wiring diagrams category is a curation of 30 web.
Sadelta Echo Master Wiring Diagram About what is the difference between an epub ebook and a pdf ebook I am guaranteed toilet readers will get pleasure from employing this gadget of their bathtubs. The water-resistant function also is available in helpful after you accidentally spill liquid to the H20's monitor. The water-resistant feature of the device causes it to be among the the most well-liked eBook viewers. You should be able to download ePUB format ebooks and read them anywhere on any unit that has a reader application on the unit. The device also boasts of your best eBook reader components, the specs of which include a one GHz Freescale processor, inbuilt LED entrance gentle for nighttime reading through, 4GB inner memory, and MicroSD card slot with guidance for as much as 32GB. Not too long ago found fiction books New books are added on a daily basis. Go through and vote for your favorites over the find out feed. that working day, so get ’em whilst they’re scorching! You can browse daily’s selections correct there around the homepage, or subscribe on the Freebooksy newsletter to obtain them in your inbox. Internet pages: 349 Warwick Deeping returns to the sector of romance and journey Using the story of an easy monk who grew to become a knight and won really like and fame from the Wars of the Roses. Sadelta Echo Master Wiring Diagram Web pages: 112 Daily life had organized me to like. I had been born delicate and passionate, and experienced acquired extra emotion than I used to be endowed with. Some great benefits of e-books are presented higher than and if you don’t get them by now, re-read them. You will also find down sides of e-books including being expensive and undergoing a demanding signup course of action to have just one. Being an ebook reader — It is among the best ebook reader apps, within our belief —KyBook three usually takes a generalist approach, supporting a range of formats. A type of transpires to be PDF, creating KyBook a good choice if you're looking for the best PDF reader, way too. PDF Viewer Pro is one of the best PDF viewers which you can download and operate with for free. Though the mobile application is also intended to supply a number of electric power person functions for anybody wanting to spend on quality subscriptions. Although several bookworms continue to prefer physical books, eBooks hold the definite benefit of getting easy to convey along with you wherever you go. Furthermore, you may have numerous ways to source free eBooks, especially Individuals in the general public area. Best Websites to Download Ebooks In examinations, concerns are requested dependant on the syllabus in NCERT books. From time to time you can find thoughts through the physical exercises provided in NCERT coming inside your tests. Thus NCERT books are best in your case. The latest lower-Price tag Kindle improves night examining with its front light, but The marginally costlier Paperwhite presents improved Total value for the majority of audience. Professionals don’t want to carry all over a hardcover inside your purse or arm, you may look at investing in ebooks. This is often an investment that isn’t expensive. Bookworms who enjoy digital books can enjoy a fantastic book without expending any revenue.
Sadelta Echo Master Wiring Diagram Top house wiring diagram download Secrets Go in the 67 distinctive PDF’s which have been displayed beneath, for example this a person. You’ll then be demonstrated the main 10 pages of the unique document, it is possible to then scroll down and click on ‘exhibit whole PDF’. Then you can certainly click download you’ve bought a completely free motor vehicle manual, forever! What subjects does the Ford Falcon Service/Maintenance Manual go over? In whole, that's about 2516 pages of information committed to your Ford Falcon. In this article’s a non exhaustive list of what’s included; Ford Falcon service manual for roadside repairs We are commonly questioned how you can wire the delco si collection alternators on routine maintenance or upgrading from an more mature generator. In addition, you will find other parts for instance floor, switch, motor, and inductor. Alternator is actually a 55 amp from the 79. It can be exceptional to have a sensor brief out so I might be taking a look at the wiring being shorted somewhere. Considering that they are indicating it is the cam sensor that is the issue (if proper) it ought to be quite effortless to check For the reason that wiring through the sensor is mostly exposed to the PCM & as I claimed Examine it at the dipstick bracket first. Like the other choices Within this list, you can send suggestions straight to the administrators of the site, explore books by types, and look for books by title and creator. Oct 24, · gahi's diagram is the correct solution to wire a gm 10si/12si, and make use of all the many benefits of that excellent. The starting state with the menu will look collapsed on smaller screens, and can surface non-collapsed on greater screens. When toggled utilizing the button under, the menu will alter. If the alternator stops Performing, the vehicle received’t have the capacity to run, at the very least not for extended. The vehicle can’t run by using a terrible alternator because the alternator is responsible for recharging the battery and supplying the program with power. I chose to change connectors instead of shifting out the alternator once more. 21 exciter wire battery light vital switch to battery as talked about in advance of we need the proper voltage on the alternator for it to function thoroughly. Sadelta Echo Master Wiring Diagram The sphere ignition enter wire on an alternator connects towards the ignition warning mild. It permits the driver to know in the event the alternator isn't working appropriately. A drawing of an electrical or Digital circuit is generally known as a circuit diagram, but may even be called a schematic diagram, or just schematic. As you’ve verified that the alternator is Doing the job the right way, you'll be able to start wiring it to cost a battery. The particular difference between the wires will help you to wire your home appropriately and stay away from the large voltage of swapping the neutral and scorching. Sadelta Echo Master Wiring Diagram The black/yellow goes to the ignition very hot in on/start. I chose to transform connectors instead of altering out the alternator all over again. Books is often only browsed or searched by title, writer and matter. The eBooks might be downloaded to go through anywhere and on any unit as they provide PDF, ePUB and Mobi formats for downloading, with a limit of downloading fifty eBooks per day.
As you have now reached the end of this comprehensive guide on creating a Sadelta Echo Master wiring diagram, we hope that you have gained valuable insights into the intricacies of this complex system. The Sadelta Echo Master is a crucial component in the realm of electronics, and understanding how to wire these circuits correctly is essential for creating innovative projects and troubleshooting existing ones. By following the steps outlined in this article, you should now be equipped with the knowledge to tackle even the most complex projects and unlock the full potential of your Sadelta Echo Master. Remember, the key to success lies in attention to detail and a thorough understanding of the components involved.
We encourage you to continue exploring the world of electronics and DIY projects, as there is always more to learn and discover. The Sadelta Echo Master is just one of many fascinating components that can be used to create innovative and functional devices. As you continue on your journey, we hope that you will find inspiration in the endless possibilities that technology offers. Remember to always approach your projects with patience, persistence, and a willingness to learn, and you will find that the world of electronics is full of endless opportunities for growth and exploration. Thank you for joining us on this journey, and we wish you all the best in your future endeavors.